【CHV-030AD】
クリーンルーム用 超小型集塵機 高圧型

超小型集塵機 CHV-030AD は、コンパクトな筐体サイズを活かした、生産機内への設置等に適しています。排気側にHEPAフィルタを標準装備しているため、クリーンルーム内で使用可能な業務用集塵機です。また、生産機の清掃用としても使用していただけます。
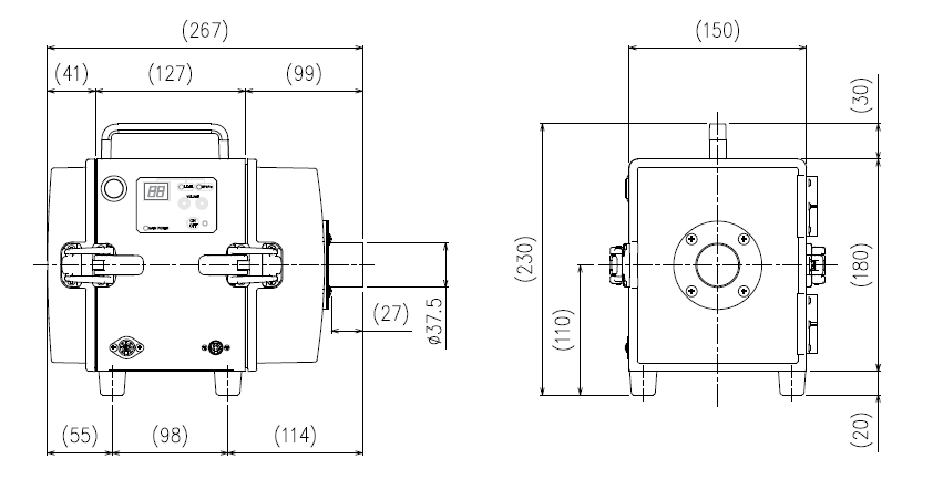
業界最小サイズ(267×183×230mm)の小型コンパクトな高圧型集塵機で、全体重量も2.36kgと超軽量です。取っ手がついており、簡単に持ち運ぶことができます。

集塵機の構造と特長

 

① 1次フィルタ
ポリプロピレン不織布の5層からなるフィルタバッグです。45μmの粒子では95%以上捕集できます。

② 2次フィルタ
ポリプロピレン高性能フィルタを設置し、1次フィルタの破損などが起こった場合の制御室への粉塵侵入を防ぎます。

③ 排気フィルタ
HEPAフィルタを標準装備しております。0.3μmで99.97%以上の捕集効率で、クリーンクラス1,000に対応しています。

集塵機の操作と制御

ADpanel

ADパネル

能力や状態を7セグ表示で確認できます。
能力レベル15段階表示。
Hi/Lo能力切替機能を搭載し、使用環境に応じて切替え可能です。
※CGU-250AD-ACCのみ能力レベル16段階
※Hi/Lo能力切替機能はCKU-060AD-ACC、CKU-080ADのみ

機種詳細

出力 100W
電圧 DC24V
定格電流 5.8A
最大風量 0.8㎥/min
最大静圧 8.5kPa
騒音値 58 - 68dB
吸込口サイズ

φ38

オプション対応
質量 2.4kg
本体寸法(D×W×H) 267mm × 183mm × 230mm
電源コード

※騒音値は、吸込み口にホースを接続した状態で、本体より1m離れた任意の点でAスケール(dBA)で測定した値です。

対応フィルタ

1次フィルタ

FB-15

2次フィルタ

HEP-1714-30

排気フィルタ

HEP-1714-30