【CKU-050】簡易式小型集塵機 風量型

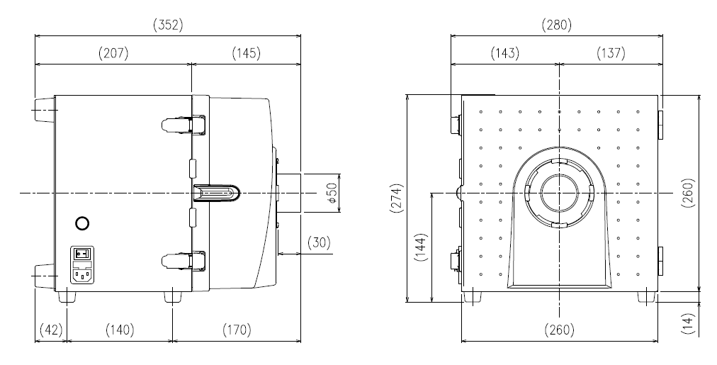
簡易式小型集塵機 CKU-050は、機能を絞ることで低コストと小型高性能を両立させた風量型集塵機です。全体重量が8.7kgと軽量で、設置は横置き・縦置きが可能な2WAY型集塵機です。縦置きにすることで工場内の設置面積を抑えることができます。(280×276mm)

集塵機の構造と特長

① 着脱フランジ

変更可能サイズ
Φ38 : 型式 FRJ-D-38-35-92
Φ50 : 型式 FRJ-D-50-35-92

② 1次フィルタ
5層構造のポリプロピレン不織布フィルタです。各層の通気性を変えることにより目詰まりしにくく、45μmの粒子では95%以上捕集できます。5層構造のため、全体強度が強く紙パックのように簡単に破れることはありません。

③ 2次フィルタ
プリーツ折に成形したポリプロピレン不織布製のフィルタです。外枠はABS樹脂製です。捕集効率は0.3μmで99%以上となっています。

用途例

youto_12

エアーブロー工程

ワークへの付着物をエアーで吹き飛ばす際に浮遊した粉塵がワークに再付着しないよう集塵します。

youto_101

ラベル貼付、剥がし

ラベルの貼付け、剥がし工程時の浮遊粉塵の集塵で使用します。

youto_30-1

計量工程

粉体計量時に発生する浮遊粉塵の対策に使用します。

機種詳細

CKU-050
  • 風量型
  • クリーンルーム外に設置
  • 標準でRoHS対応
出力 50W
電圧 100V単相(50/60Hz)
定格電流 2.3A
最大風量 2.6㎥/min
最大静圧 2.5kPa
騒音値 57dB
吸込口サイズ

φ50(別売φ38)

オプション対応
質量 8.5kg
本体寸法(D×W×H) 352mm × 280mm × 276mm
電源コード 3m

※騒音値は、吸込み口にホースを接続した状態で、本体より1m離れた任意の点でAスケール(dBA)で測定した値です。

対応フィルタ

1次フィルタ

FB-25(フィルタ容量 2.5L)

2次フィルタ

CHF-2525-50