【CBAシリーズ】
クリーンルーム用 小型集塵機 高圧型
小型集塵機 CBAシリーズは、クリーンルーム内で使用可能な業務用高圧型の集塵機です。小径配管やスリット状のノズルを用いて付着粉塵を除去するには、高圧型の集塵機が適しています。
集塵機の構造と特長

① 1次フィルタ
5層構造のポリプロピレン不織布製フィルタです。各層の通気性を変えることにより目詰まりしにくく、45μmの粒子では95%以上捕集できます。5層構造のため、全体強度が強く紙パックのように簡単に破れることはありません。
② 2次フィルタ
プリーツ折に成形したポリプロピレン不織布製のフィルタです。外枠はABS樹脂製です。捕集効率は0.3μmで99%以上となっています。
③ 排気フィルタ
2次フィルタと同じフィルタを使用しており、1次フィルタ、2次フィルタで捕集されなかった粒子を捕集します。さらにファンモータ室で発塵した微粒子の捕集効果もあります。捕集効率は0.3μmで99%以上となっており、クリーンクラス100,000~10,000の環境に設置が可能です。
排気側にHEPAフィルタ(捕集効率:0.3μm 99.97%以上)を装着した-V1仕様では、クリーンクラス1,000(※工場出荷時検査)に対応可能です。
用途例
巻取り工程の発塵対策
リチウムイオン電池組立巻取り工程の発塵対策として使用します。
フィルム表面付着粉塵対策
フィルム状のワークに付着した粉塵を細長い吸引口のスリットノズルで吸引します。
部品圧入工程
部品圧入時に発生する摩耗粉対策として集塵します。
集塵機の操作と制御
TP1パネル
AT3で確認できる各種圧力・ブロア温度・回転数に加え下記機能が追加されました。
・風速・風量を一目で監視
・見えない風速・風量を数値で表示
「視覚的に把握・監視したい」、「実際の数値をリアルタイムで確認したい」要望に応え、様々な現場に合わせた最適な吸い込みを実現します。
AT3パネル
集塵機の操作や状態確認ができるパネルを搭載しています。従来のATパネルから進化し、各種圧力やブロア温度・回転数など、確認できる情報が充実しています。
また、別売のリモートケーブル(型式:MT-173-8)を使用することで、運転ON/OFFが遠隔操作でき、出力信号を取り出すことができます。さらに、別売オプションでイーサネット通信やRS-485通信への対応も可能となりました。
ADパネル
集塵機の操作や状態確認ができるパネルを搭載しています。
①能力レベルの調整
②吸込圧力・フィルタ目詰まりの表示・各種エラーの表示
③運転ON/OFF
別売のリモートケーブル(型式:MT-173-8)を使用することで、運転ON/OFFが遠隔操作でき、出力信号を取り出すことができます。
製品一覧
| 出力 | 440W |
| 電圧 | 100V単相(50/60Hz) |
| 定格電流 | 6.6A |
| 最大風量 | 2.3㎥/min |
| 最大静圧 | 9.2kPa |
| 騒音値 | 57 - 70dB |
| 吸込口サイズ |
φ65(別売φ50・φ38) |
| オプション対応 | 200V単相(-T)、CE対応(-CE) |
| 質量 | 10.0kg |
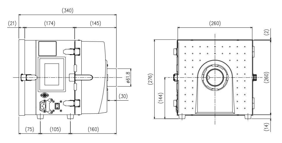
| 本体寸法(D×W×H) | 340mm × 290mm × 276mm |
| 電源コード | 3m |
| 出力 | 450W |
| 電圧 | 100V単相(50/60Hz) |
| 定格電流 | 7.6A |
| 最大風量 | 1.9㎥/min |
| 最大静圧 | 9.3kPa |
| 騒音値 | 58 - 70dB |
| 吸込口サイズ |
φ65(別売φ50・φ38) |
| オプション対応 | 200V単相(-T)、CE対応(-CE) |
| 質量 | 10.0kg |
| 本体寸法(D×W×H) | 340mm × 290mm × 276mm |
| 電源コード | 3m |
| 出力 | 600W |
| 電圧 | 100V単相(50/60Hz) |
| 定格電流 | 7.9A |
| 最大風量 | 4.2㎥/min |
| 最大静圧 | 9.5kPa |
| 騒音値 | 61 - 69dB |
| 吸込口サイズ |
φ75(別売φ65・φ50・φ38) |
| オプション対応 | 200V単相(-T)、CE対応(-CE) |
| 質量 | 17.4kg |
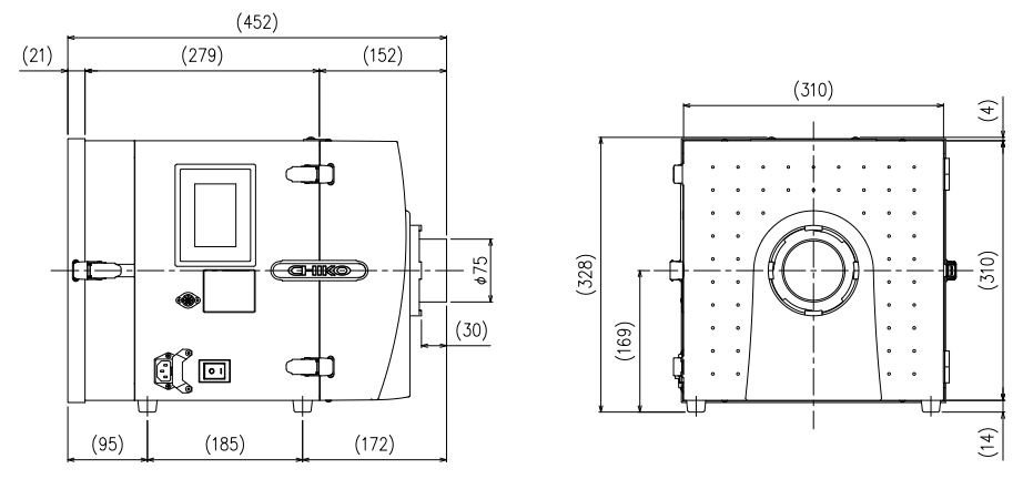
| 本体寸法(D×W×H) | 452mm × 340mm × 328mm |
| 電源コード | 3m |
| 出力 | 1200W |
| 電圧 | 200V単相(50/60Hz) |
| 定格電流 | 10.5A |
| 最大風量 | 5.5㎥/min |
| 最大静圧 | 13.5kPa |
| 騒音値 | 60 - 77dB |
| 吸込口サイズ |
φ75(別売φ65・φ50・φ38) |
| オプション対応 | CE対応(-CE) |
| 質量 | 26.7kg |
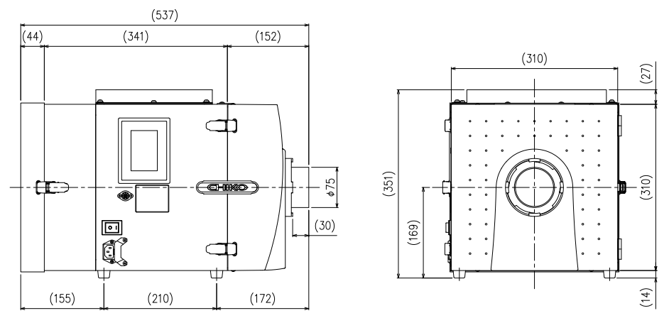
| 本体寸法(D×W×H) | 537mm × 340mm × 351mm |
| 電源コード | 3m |
| 出力 | 1200W |
| 電圧 | 200-230V単相(50/60Hz) |
| 定格電流 | 14.6A |
| 最大風量 | 3.8㎥/min |
| 最大静圧 | 21.0kPa |
| 騒音値 | 63 - 72dB |
| 吸込口サイズ |
φ75(別売φ65・φ50・φ38) |
| オプション対応 | CE対応(-CE)、MET(12月~対応予定) |
| 質量 | 27.6kg |
| 本体寸法(D×W×H) | 537mm × 362.5mm × 359mm |
| 電源コード | 3m |
| 出力 | 1300W × 2 |
| 電圧 | 200 - 240V単相(50/60Hz) |
| 定格電流 | 23.0A |
| 最大風量 | 7.5㎥/min |
| 最大静圧 | 21.0kPa |
| 騒音値 | 63 - 72dB |
| 吸込口サイズ |
φ100 |
| オプション対応 | CE対応(-CE)、MET(10月上旬対応予定) |
| 質量 | 40.0kg |
| 本体寸法(D×W×H) | 530mm × 488mm × 635mm |
| 電源コード | 3m |
| 出力 | 450W |
| 電圧 | 100V単相(50/60Hz) |
| 定格電流 | 7.6A |
| 最大風量 | 1.9㎥/min |
| 最大静圧 | 9.3kPa |
| 騒音値 | 58 - 70dB |
| 吸込口サイズ |
φ65(別売φ50・φ38) |
| オプション対応 | 200V単相(-T)、CE対応(-CE) |
| 質量 | 10.0kg |
| 本体寸法(D×W×H) | 340mm × 290mm × 276mm |
| 電源コード | 3m |
| 出力 | 600W |
| 電圧 | 100V単相(50/60Hz) |
| 定格電流 | 7.9A |
| 最大風量 | 4.2㎥/min |
| 最大静圧 | 9.5kPa |
| 騒音値 | 61 - 69dB |
| 吸込口サイズ |
φ75(別売φ65・φ50・φ38) |
| オプション対応 | 200V単相(-T)、CE対応(-CE) |
| 質量 | 17.4kg |
| 本体寸法(D×W×H) | 452mm × 340mm × 328mm |
| 電源コード | 3m |
| 出力 | 1200W |
| 電圧 | 200V単相(50/60Hz) |
| 定格電流 | 10.5A |
| 最大風量 | 5.5㎥/min |
| 最大静圧 | 12.5-13.5kPa |
| 騒音値 | 60 - 77dB |
| 吸込口サイズ |
φ75(別売φ65・φ50・φ38) |
| オプション対応 | CE対応(-CE) |
| 質量 | 26.7kg |
| 本体寸法(D×W×H) | 537mm × 340mm × 351mm |
| 電源コード | 3m |
※騒音値は、吸込み口にホースを接続した状態で、本体より1m離れた任意の点でAスケール(dBA)で測定した値です。
対応フィルタ
-
CBA-080AD
CBA-080AT3-HI
CBA-080TP1 - 1次フィルタ
-
FB-25
- 2次フィルタ
-
CHF-2525-50
- 排気フィルタ
-
CHF-2525-50
-
CBA-500AT3-HI
CBA-500TP1 - 1次フィルタ
-
FB-30
- 2次フィルタ
-
CHF-3030-50
- 排気フィルタ
-
CHF-3030-50
-
CBA-1200AT3-HI-V1
CBA-1200TP1 - 1次フィルタ
-
FB-30
- 2次フィルタ
-
CHF-3030-50
- 排気HEPAフィルタ
-
HEP-3030-69
- モータ冷却用HEPAフィルタ
-
HEP-1293-34
- CBA-1600AT3
- 1次フィルタ
-
FB-30
- 2次フィルタ
-
CHF-3030-50
- 排気HEPAフィルタ
-
HEP-3030-69
- ブロア冷却(吸気側)フィルタ
-
CMF-18540-55
- ブロア冷却(排気側)フィルタ
-
HEP-1714-30
- CBA-2400AT3
- 1次フィルタ
-
FB-700-22
- 2次フィルタ
-
CHF-3535-70
- 排気HEPAフィルタ
-
HEP-3535-69
- ブロア冷却(吸気側)フィルタ
-
CMF-1217-13 黒厚紙 × 2
- ブロア冷却(排気側)フィルタ
-
HEP-1714-30 × 2